Rangkaian wide stereo - Saya lupa tentang nama rangkaian ini, karena skema dari rangkaian tersebut telah hilang dan saya pun mencoba menggambar ulang skema dengan cara membedah dari rangkaian yang dulu telah saya rakit.
Rangkaian ini saya dapatkan dari majalah selektron.
Ada yang menyebutnya rangkaian magic stereo atau wide surround.
Dengan menambahkan rangkaian ini di sistim audio sobat, dan walaupun sobat hanya menggunakan dua buah speaker saja, suara yang ditampilkan akan terdengar lebih melebar.. Terkesan surround..
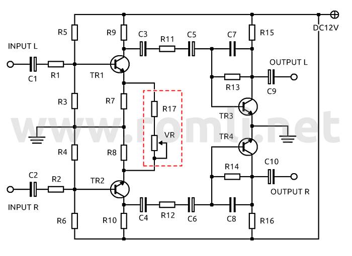
Skema wide stereo
|
| Rangkaian wide stereo |
Daftar komponen
R1, R2, R3, R4: 10KR5, R6: 22K
R7, R8: 4K7
R9,R10: 3K3
R11, R12: 82K
R13, R14: 470K
R15, R16: 3K9
R17: 100
C1, C2, C3, C4, C5, C6, C9, C10: 10uF/16V
C7, C8: 68pF
VR: 50K
TR1, TR2, TR3, TR4: (NPN) -> C828, C1571
Cara kerja rangkaian
Untuk mengatur "wide" dari rangkaian surround ini, pembaca bisa dengan memutar VR atau bila menginginkan efek "wide" yang lebih sobat bisa merubah nilai R17 dengan nilai yang lebih rendah hingga didapatkan suara surround sesuai selera.
Semoga artikel tentang Rangkaian wide stereo ini bisa menjadikan manfaat bagi pembaca.
Dan, selamat mencoba..
